馬鞍山市方威精密刃模有限公司 馬鞍山市方威精密刃模有限公司
  • 
  • 首頁
  • 金屬加工機械 +
  • 折彎機模具 +
  • 關於我們 +
    • 公司介紹
    • 新聞
  • 能力
  • 視頻
  • 聯繫我們
产品
  • 产品
  • 精密的折彎機模具

精密的折彎機模具

從設計圖紙到折彎機模具的下料、鍛造和成型,方威對每個加工步驟都嚴格把關,確保品質。我們能夠滿足客戶的各種設計和生產要求,包括孔徑、折彎角度、模具形狀等。

我們提供多種優質材料,例如 42CrMo、55SiCr 等。由於不同材質的折彎機模具硬度不同,方威將根據客戶的加工要求和預算選擇最具成本效益的材料。

折彎機模具成型後,每件模具都會在折彎機上使用,以確定其是否合格。我們為無數客戶製造過折彎機模具,每件模具都使用特定的序號進行標識。以下是一些標準模具,客戶可以通過序號找到合適的折彎機模具。使用者也可以將設計圖紙或規格發送給我們,我們將進行設計和生產。

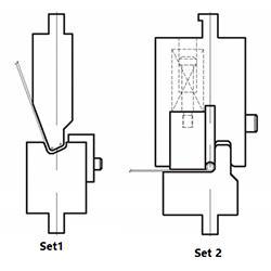
    1. 90度成型上下模具組合
    2. 90度成型上下模具組合
    1. 85度成型上下模具組合
    2. 85度成型上下模具組合
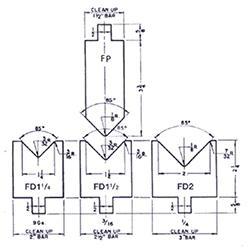
    1. 銳角成型上下模具組合
    2. 銳角成型上下模具組合
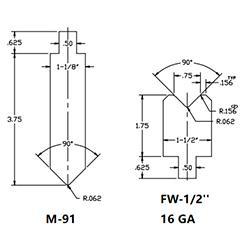
    1. 尖刀成型上下模具組合
    2. 尖刀成型上下模具組合
    1. 壓平成型上下模具組合
    2. 壓平成型上下模具組合
    1. 盒體成型上下模具組合
    2. 盒體成型上下模具組合
    1. 槽形成型模具
    2. 槽形成型模具
    1. 圓弧成型模具
    2. 圓弧成型模具
    1. 加強筋成型模具
    2. 加強筋成型模具
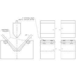
    1. 無壓痕成型模具
    2. 無壓痕成型模具
    1. 可調節V下模
    2. 可調節V下模
    1. 鉸鏈模具
    2. 鉸鏈模具
    1. 3V和4V模具
    2. 3V和4V模具
    1. 瓦楞模具
    2. 瓦楞模具
    1. 段差模具
    2. 段差模具
    1. 嚙合模具
    2. 嚙合模具
    1. 法蘭壓邊模具
    2. 法蘭壓邊模具
    1. 傾斜角度模具
    2. 傾斜角度模具
    1. 模托
    2. 模托
聯繫我們,瞭解更多關於我們專為精確和高效而設計的折彎機模具的資訊。
立即聯繫我們
金屬加工機械
單缸全電折彎機
單缸全電折彎機
雙缸全電折彎機
雙缸全電折彎機
電液伺服折彎機
電液伺服折彎機
油電混合折彎機
油電混合折彎機
E21扭軸折彎機
E21扭軸折彎機
TP10S扭軸折彎機
TP10S扭軸折彎機
折彎中心
折彎中心
鐳射切割機
鐳射切割機
卷圓機
卷圓機
擺式剪板機
擺式剪板機
馬鞍山市方威精密刃模有限公司
金屬加工機械
  • 折彎機
  • 折彎中心
  • 鐳射切割機
  • 卷圓機
  • 擺式剪板機
折彎機模具
  • 折彎機模具
  • 精密的折彎機模具
  • 剪板機刀片
  • 定制模具
聯繫我們
馬鞍山市博望區博望鎮大和工業園A-8#
info@masfw.net
+86-18655538201
+86-18955525842
Supported by ETW International Inc. USA