馬鞍山市方威精密刃模有限公司 馬鞍山市方威精密刃模有限公司
  • 
  • 首頁
  • 金屬加工機械 +
  • 折彎機模具 +
  • 關於我們 +
    • 公司介紹
    • 新聞
  • 能力
  • 視頻
  • 聯繫我們
产品
  • 产品
  • 精密的折彎機模具
  • 段差模具

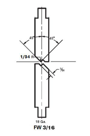
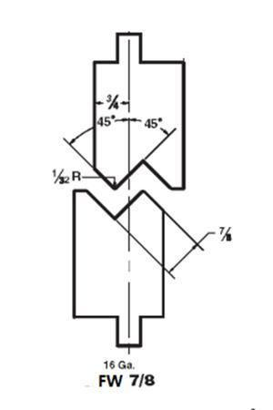
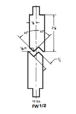
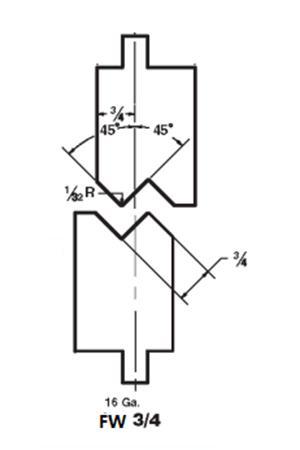
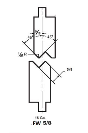
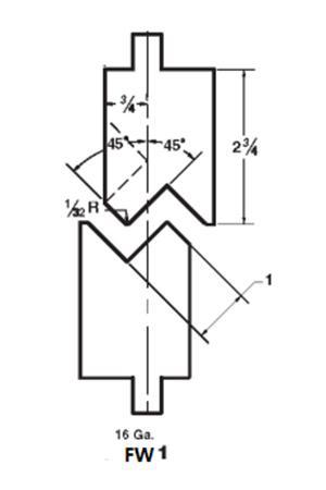
段差模具,阿瑪達折彎機模具

段差模具用於實現板材段差錯位偏移,詳情如下。

如果你沒有找到合適的模具,請留下您的聯繫方式,我們將安排工程師與您取得聯繫並提供技術方案,這將是免費的服務。
  • 段差模具
  • 段差模具
  • 段差模具
  • 段差模具
  • 段差模具
  • 段差模具
  • 段差模具
詢價
  • 相關產品
    1. 嚙合模具
    2. 嚙合模具
    1. 法蘭壓邊模具
    2. 法蘭壓邊模具
    1. 傾斜角度模具
    2. 傾斜角度模具
    1. 模托
    2. 模托
    1. 90度成型上下模具組合
    2. 90度成型上下模具組合
    1. 85度成型上下模具組合
    2. 85度成型上下模具組合
馬鞍山市方威精密刃模有限公司
聯繫我們,瞭解更多關於我們專為精確和高效而設計的折彎機模具的資訊。
金屬加工機械
單缸全電折彎機
單缸全電折彎機
雙缸全電折彎機
雙缸全電折彎機
電液伺服折彎機
電液伺服折彎機
油電混合折彎機
油電混合折彎機
E21扭軸折彎機
E21扭軸折彎機
TP10S扭軸折彎機
TP10S扭軸折彎機
折彎中心
折彎中心
生產能力
我們的機加工車間配備了各種尺寸的刨床、磨床、銑床、數控加工中心和用於模具測試的折彎機。年產能約為30萬套模具(每套835毫米)。標準模具交貨時間為1周,定制模具交貨時間為25天左右。
  • CNC加工中心CNC加工中心
  • 數控銑床數控銑床
  • 磨床磨床
  • 折彎機測試折彎機測試
馬鞍山市方威精密刃模有限公司
金屬加工機械
  • 折彎機
  • 折彎中心
  • 鐳射切割機
  • 卷圓機
  • 擺式剪板機
折彎機模具
  • 折彎機模具
  • 精密的折彎機模具
  • 剪板機刀片
  • 定制模具
聯繫我們
馬鞍山市博望區博望鎮大和工業園A-8#
info@masfw.net
+86-18655538201
+86-18955525842
Supported by ETW International Inc. USA