馬鞍山市方威精密刃模有限公司 馬鞍山市方威精密刃模有限公司
  • 
  • 首頁
  • 金屬加工機械 +
  • 折彎機模具 +
  • 關於我們 +
    • 公司介紹
    • 新聞
  • 能力
  • 視頻
  • 聯繫我們
产品
  • 产品
  • 精密的折彎機模具
  • 85度成型上下模具組合

85度成型上下模具組合,阿瑪達折彎機模具

如果你沒有找到合適的模具,請留下您的聯繫方式,我們將安排工程師與您取得聯繫並提供技術方案,這將是免費的服務。
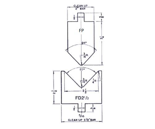
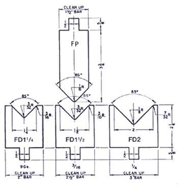
    1. 85度成型上下模具組合
      FW1
      長度 重量
      加工角度 85 º
      淨高 3-3/4 ″
      半徑 1-1/4″
      建議材料厚度 9 GA to 1/4″
      精修尺寸 1-1/2" Bar
      詢價
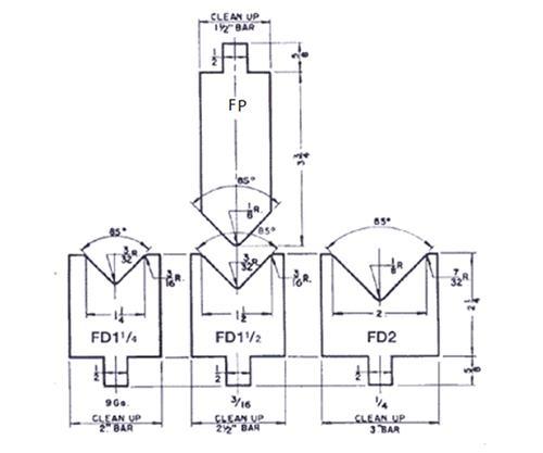
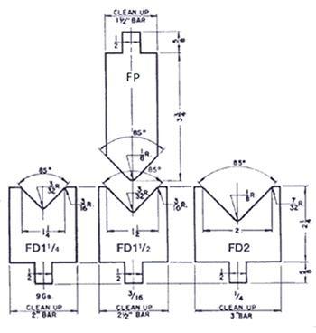
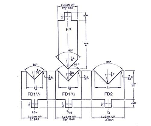
    1. 85度成型上下模具組合
      FW2
      長度 重量
      加工角度 85 º
      淨高 2-1/4″
      半徑 1-1/4″
      精修尺寸 9 GA t
      精修尺寸 2" Bar
      詢價
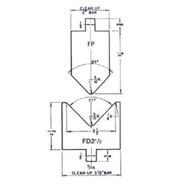
    1. 85度成型上下模具組合
      FW3
      長度 重量
      加工角度 85 º
      淨高 3-1/4 ″
      半徑 3/16″
      建議材料厚度 95/16″
      Clean Up 2" Bar
      詢價
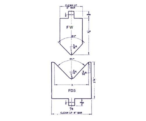
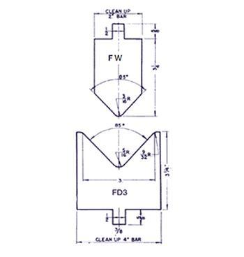
    1. 85度成型上下模具組合
      FW4
      長度 重量
      加工角度 85 º
      淨高 3 -1/4″
      半徑 3″
      建議材料厚度 3/8″
      Clean Up 4" Bar
      詢價
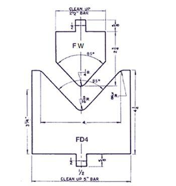
    1. 85度成型上下模具組合
      FW5
      長度 重量
      加工角度 85 º
      淨高 2 -3/4″
      半徑 1/4″
      建議材料厚度 2-1/2″
      Clean Up 4" Bar
      詢價
  • 相關產品
    1. 銳角成型上下模具組合
    2. 銳角成型上下模具組合
    1. 尖刀成型上下模具組合
    2. 尖刀成型上下模具組合
    1. hemming 上模 and Die Sets
    2. 壓平成型上下模具組合
    1. 盒體成型上下模具組合
    2. 盒體成型上下模具組合
    1. 槽形成型模具
    2. 槽形成型模具
    1. 圓弧成型模具
    2. 圓弧成型模具
馬鞍山市方威精密刃模有限公司
聯繫我們,瞭解更多關於我們專為精確和高效而設計的折彎機模具的資訊。
金屬加工機械
單缸全電折彎機
單缸全電折彎機
雙缸全電折彎機
雙缸全電折彎機
電液伺服折彎機
電液伺服折彎機
油電混合折彎機
油電混合折彎機
E21扭軸折彎機
E21扭軸折彎機
TP10S扭軸折彎機
TP10S扭軸折彎機
折彎中心
折彎中心
生產能力
我們的機加工車間配備了各種尺寸的刨床、磨床、銑床、數控加工中心和用於模具測試的折彎機。年產能約為30萬套模具(每套835毫米)。標準模具交貨時間為1周,定制模具交貨時間為25天左右。
  • CNC加工中心CNC加工中心
  • 數控銑床數控銑床
  • 磨床磨床
  • 折彎機測試折彎機測試
馬鞍山市方威精密刃模有限公司
金屬加工機械
  • 折彎機
  • 折彎中心
  • 鐳射切割機
  • 卷圓機
  • 擺式剪板機
折彎機模具
  • 折彎機模具
  • 精密的折彎機模具
  • 剪板機刀片
  • 定制模具
聯繫我們
馬鞍山市博望區博望鎮大和工業園A-8#
info@masfw.net
+86-18655538201
+86-18955525842
Supported by ETW International Inc. USA