馬鞍山市方威精密刃模有限公司 馬鞍山市方威精密刃模有限公司
  • 
  • 首頁
  • 金屬加工機械 +
  • 折彎機模具 +
  • 關於我們 +
    • 公司介紹
    • 新聞
  • 能力
  • 視頻
  • 聯繫我們
产品
  • 产品
  • 定制模具

精密刨削折彎機模具

我們的目標是提供優質、經濟的工具,以滿足您的特定需求。
定制模具
  • 定制模具
  • 定制模具
  • 定制模具
定制模具

擺脫標準件的束縛,方威除了可以為客戶提供美標精密款式,歐標精密款式和Wila Trumpf Style折彎機彎曲工具,還可以根據客戶的要求定制,包括:設計、材質、尺寸、表面處理等。

我司有多年從業經驗的設計人員負責設計跟進,確保設計出的產品合乎要求,可以正常使用,對於無法測量準確尺寸的客戶,客戶可寄樣品由我司待測並出圖製作。

聯繫我們
我們能定制如下方面:
  • 1 原材料選擇
    剪板機刀片:55SiCr, 9CrSi, 6CrW2Si, Cr12MoV / SKD11, H13 / SKD61, HSS / W6Mo5Cr4V2, LD
    折彎機模具:42CrMo, 55SiCr
  • 2 半徑和角度修改

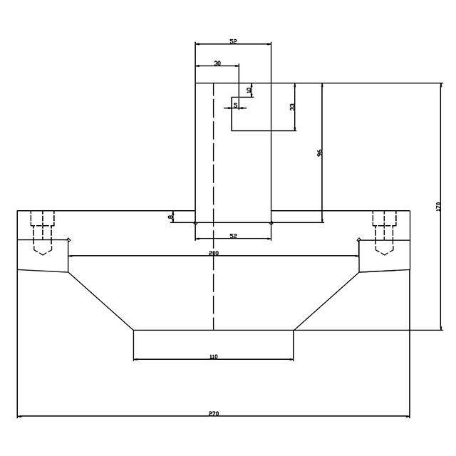
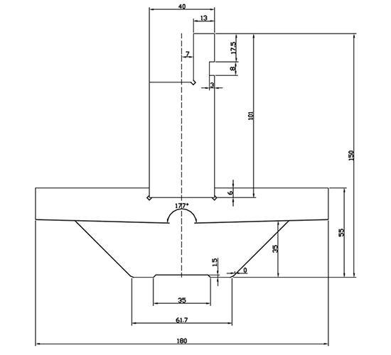
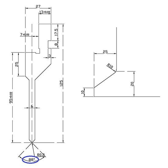
    對於一些使用折彎機模具進行板材生產的板材成型製造商來說,最大的特點是需要滿足客戶小批量生產板材的需求,因此對於模具的種類有著多樣的需求。而方威目前可以根據客戶原來使用的折彎機模具的基礎上,進行長度,角度,厚度,V型開口修改的改變,以此滿足客戶的任何定制需求。與重新生產新的特殊工具相比,折彎機模具改造可以大大節省生產成本。

    修改範圍

    標準折彎機彎曲工具:您可以根據根據折彎機品牌所適配的模具規格,向我們提出修改定制需求;
    特殊的折彎機制動器:我們可以滿足您對工具的特殊要要求;
    • 定制模具
    • 定制模具
  • 3 打標處理

    我們可以根據客戶要求在模具表面進行鐳射打標處理,每種模具都有唯一的跟單號,因此您可以線上跟蹤我們每款產品的生產情況。

  • 4 表面處理

    在表面工具的表面增加防護塗層,可以減小模具的摩擦係數以及增強模具的耐腐蝕性能。

  • 5 尺寸

    方威擁有先進的CNC加工設備,可根據客戶的要求切割成不同尺寸的折彎機模具和剪板機刀片。

    • 定制模具
    • 定制模具
  • 6 模具凹槽

    為了適應不同其他折彎機系統的凹槽,我們可以對您的模具進行修改,為您提供符合您規格要求的凹槽。

    • 定制模具
    • 定制模具
與我們聯繫
金屬加工機械
單缸全電折彎機
單缸全電折彎機
雙缸全電折彎機
雙缸全電折彎機
電液伺服折彎機
電液伺服折彎機
油電混合折彎機
油電混合折彎機
E21扭軸折彎機
E21扭軸折彎機
TP10S扭軸折彎機
TP10S扭軸折彎機
馬鞍山市方威精密刃模有限公司
金屬加工機械
  • 折彎機
  • 折彎中心
  • 鐳射切割機
  • 卷圓機
  • 擺式剪板機
折彎機模具
  • 折彎機模具
  • 精密的折彎機模具
  • 剪板機刀片
  • 定制模具
聯繫我們
馬鞍山市博望區博望鎮大和工業園A-8#
info@masfw.net
+86-18655538201
+86-18955525842
Supported by ETW International Inc. USA