馬鞍山市方威精密刃模有限公司 馬鞍山市方威精密刃模有限公司
  • 
  • 首頁
  • 金屬加工機械 +
  • 折彎機模具 +
  • 關於我們 +
    • 公司介紹
    • 新聞
  • 能力
  • 視頻
  • 聯繫我們
产品
  • 产品
  • 折彎機模具
  • 美標精密款式

美標精密款式

Bystronic折彎模具
  • 概述
  • 上模
  • 下模
  • 優勢
  • 工具長度
概述

Bystronic 精密折彎機模具為美式模具,相容 Bystronic-Beyeler RFA、Bystronic-Beyeler RF、Bystronic-Beyeler R 和 Bystronic-Beyeler S 等品牌的折彎機。

方威擁有大量 Bystronic 折彎機模具庫存,可供客戶選擇。以下是常見的 Bystronic 折彎機模具類型。如果您找不到所需的折彎機模具,請隨時 聯繫我們。

上模/下模
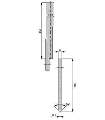
上模
百超折彎機模具上模

方威是一家專業的折彎機模具製造商,我們對產品品質充滿信心。我們生產的大多數折彎機模具都經過硬化處理,以顯著提高其耐磨性。我們擁有大量適用於百超折彎機的沖頭庫存。以下是常見的百超模具。如果您找不到所需的模具,我們可以根據您的具體需求提供定制模具。

90度上模
88度上模
85度上模
60度上模
55度上模
50度上模
35度上模
30度上模
28度上模
26度上模
0度上模
阅读更多
上模/Top tools
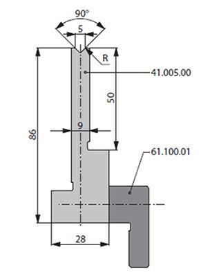
下模
下模

方威提供全套折彎機模具。我們擁有大量百超模具庫存,可供您選擇。以下是百超折彎機模具的常見類型。如果您找不到所需的模具,歡迎聯繫我們,我們可以為您提供定制的折彎機模具。

90度下模, 高度86mm
88/90度下模, 高度80mm
85度下模, 高度80mm
80度下模, 高度86mm
75度下模, 高度120mm
70度下模, 高度120mm
60度下模, 高度86mm
60度下模, 高度80mm
55度下模, 高度86mm
50度下模, 高度86mm
阅读更多
下模
優勢
  • 根據我們豐富的生產經驗,我們為客戶推薦三種材料可以滿足您高的品質需求。當然如果您有其他想要選擇的材料,我們也可滿足您的定制需求。
    1. 42 CrMo4材料,回火至1100-1200 N / mm²
    2. 1.2312材料,回火至950-1100 N / mm²
    3. C45材料,回火至800-850 N / mm²
  • 彎曲半徑(Bending 半徑)/ 進氣半徑(intake 半徑)硬度可達到45-50RC
  • Amada彎曲工具有很強的通用性,在對其長度,彎曲角度進行調整後,或搭配適配器(Adapters),可以適用於任何其它品牌的折彎機。
工具長度
上模

我們可以根據客戶的要求將沖頭進行分段,比如長度為835mm的P上模可以分為9段,也可以作為一整套提供

長度 圖片
長度 500 mm 上模/下模
長度 300 mm 上模
長度 200 mm 上模
長度 100 mm 上模
上模
下模

我們可以根據客戶的要求將下模(下模)進行分段,比如長度為835mm的下模可以分為8段(10mm, 15mm, 20mm, 40mm, 50mm, 200mm, 400mm),也可以作為一整套提供

長度 圖片
長度 508 mm 上模
長度 300 mm 上模
長度 200 mm 上模
長度 100 mm 上模
上模
聯繫我們,瞭解更多關於我們專為精確和高效而設計的折彎機模具的資訊。
立即聯繫我們
金屬加工機械
單缸全電折彎機
單缸全電折彎機
雙缸全電折彎機
雙缸全電折彎機
電液伺服折彎機
電液伺服折彎機
油電混合折彎機
油電混合折彎機
E21扭軸折彎機
E21扭軸折彎機
TP10S扭軸折彎機
TP10S扭軸折彎機
馬鞍山市方威精密刃模有限公司
金屬加工機械
  • 折彎機
  • 折彎中心
  • 鐳射切割機
  • 卷圓機
  • 擺式剪板機
折彎機模具
  • 折彎機模具
  • 精密的折彎機模具
  • 剪板機刀片
  • 定制模具
聯繫我們
馬鞍山市博望區博望鎮大和工業園A-8#
info@masfw.net
+86-18655538201
+86-18955525842
Supported by ETW International Inc. USA