馬鞍山市方威精密刃模有限公司 馬鞍山市方威精密刃模有限公司
  • 
  • 首頁
  • 金屬加工機械 +
  • 折彎機模具 +
  • 關於我們 +
    • 公司介紹
    • 新聞
  • 能力
  • 視頻
  • 聯繫我們
产品
  • 产品
  • 折彎機模具
  • 歐標精密款式

歐標精密款式

阿瑪達折彎機模具
  • 概述
  • 上模
  • 下模
  • 優勢
  • 工具長度
概述

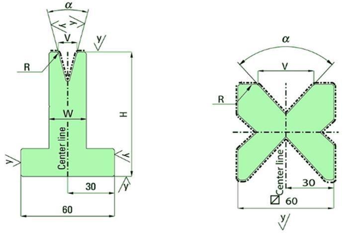
適用於Amada折彎機的彎曲模具屬於歐洲風格的模具,不管是上模還是下模都有標準的安全槽,可防止工具掉落。

目前方威有大量庫存的Amada折彎機彎曲工具可供客戶選擇,以下是常見的型號。如果沒有找到您符合您要求的彎曲工具,歡迎您隨時與我們聯繫。

上模
阿瑪達折彎機模具上模

一般情況下標準角度的下模需要與相應角度的上模組成一套彎曲工具( Press Brake Tooling)才能發揮器下模最大的生產效益,目前方威可為客戶提供 90°, 88度,60°, 30°的上模(下模)。

90度上模
88度上模
85度上模
60度上模
30度上模
上模轉換頭
半徑7-50mm圓弧模具柄和模具頭
24度壓平壓邊模具上模
可更換式段差模具柄和壓平填塊
可更換式段差模具填塊
阅读更多
阿瑪達折彎機模具上模
下模
下模

目前方威可為客戶提供 90°, 88度,60°, 30°的下模(下模),以上是常見的型號的下模具

90度T型下模,高度120mm
90度T型下模,高度80mm
88度T型下模, 高度120mm
88度T型下模, 高度80mm
85度T型下模, 高度120mm
85度T型下模, 高度80mm
60度T型下模, 高度120mm
60度T型下模, 高度80mm
30度T型下模, 高度120mm
30度T型下模, 高度80mm
阅读更多
下模
優勢
歐標精密款式
歐標精密款式
  • 根據我們豐富的生產經驗,我們為客戶推薦三種材料可以滿足您高的品質需求。當然如果您有其他想要選擇的材料,我們也可滿足您的定制需求。
    1. 42 CrMo4材料,回火至1100-1200 N / mm²
    2. 1.2312材料,回火至950-1100 N / mm²
    3. C45材料,回火至800-850 N / mm²
  • 彎曲半徑/進氣半徑硬度可達到45-50RC
  • Amada彎曲工具有很強的通用性,在對其長度,彎曲角度進行調整後,或搭配適配器,可以適用於任何其它品牌的折彎機。
工具長度
上模

我們可以根據客戶的要求將沖頭進行分段,比如長度為835mm的P上模可以分為9段,也可以作為一整套提供

長度 圖片
長度 835mm
上模
長度 415mm
上模
835mm長度分段
上模
下模

我們可以根據客戶的要求將下模(下模)進行分段,比如長度為835mm的下模可以分為8段(10mm, 15mm, 20mm, 40mm, 50mm, 200mm, 400mm),也可以作為一整套提供

長度 圖片
長度 835mm
上模
長度 415mm
上模
835mm長度分段
上模
聯繫我們,瞭解更多關於我們專為精確和高效而設計的折彎機模具的資訊。
立即聯繫我們
金屬加工機械
單缸全電折彎機
單缸全電折彎機
雙缸全電折彎機
雙缸全電折彎機
電液伺服折彎機
電液伺服折彎機
油電混合折彎機
油電混合折彎機
E21扭軸折彎機
E21扭軸折彎機
TP10S扭軸折彎機
TP10S扭軸折彎機
馬鞍山市方威精密刃模有限公司
金屬加工機械
  • 折彎機
  • 折彎中心
  • 鐳射切割機
  • 卷圓機
  • 擺式剪板機
折彎機模具
  • 折彎機模具
  • 精密的折彎機模具
  • 剪板機刀片
  • 定制模具
聯繫我們
馬鞍山市博望區博望鎮大和工業園A-8#
info@masfw.net
+86-18655538201
+86-18955525842
Supported by ETW International Inc. USA