馬鞍山市方威精密刃模有限公司 馬鞍山市方威精密刃模有限公司
  • 
  • 首頁
  • 金屬加工機械 +
  • 折彎機模具 +
  • 關於我們 +
    • 公司介紹
    • 新聞
  • 能力
  • 視頻
  • 聯繫我們
产品
  • 产品
  • 折彎機模具
  • 比利時精密款式

比利時精密款式

LVD折彎模具
  • 概述
  • 上模
  • 下模
  • 優勢
  • 工具長度
概述

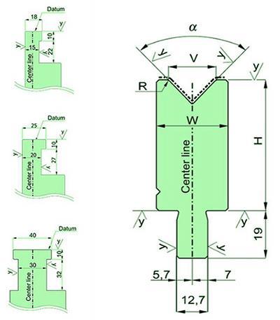
該系列的精密模具屬於美式風格的模具,可與任何機型的LVD折彎機相相容。

目前方威有大量庫存的LVD折彎機模具可供客戶選擇,以下是常見的型號的模具,如果沒有找到您符合您要求的模具,歡迎您隨時與我們聯繫。

上模
埃威迪折彎機模具上模

方威可為客戶提供一整套的折彎工具,目前方威有大量庫存的Amada折彎機上模具可供客戶選擇,以上是常見的型號的上模具,如果沒有找到您符合您要求的上模具,我們也可以根據客戶的需求單獨定制上模。

78度上模
26度上模
半徑7-50mm圓弧模具柄和模具頭
可更換式段差模具柄
上模轉換器
阅读更多
上模/Top tools
下模
下模

一般情況下標準角度的下模需要與相應角度的上模組成一套折彎工具才能發揮器下模最大的生產效益,目前方威可為客戶提供 78°, 26度等不同角度的上模(下模),以上是常見的型號的下模具,如果沒有找到您符合您要求的下模具,我們也可以根據客戶的需求單獨定制上模。

78度下模, 高度90mm
78度下模, 高度130mm
30度下模, 高度90mm
阅读更多
下模
優勢
比利時精密款式
  • 根據我們豐富的生產經驗,我們為客戶推薦三種材料可以滿足您高的品質需求。當然如果您有其他想要選擇的材料,我們也可滿足您的定制需求。
    1. 42 CrMo4材料,回火至1100-1200 N / mm²
    2. 1.2312材料,回火至950-1100 N / mm²
    3. C45材料,回火至800-850 N / mm²
  • 彎曲半徑/硬度可達到45-50RC
  • Amada彎曲工具有很強的通用性,在對其長度,彎曲角度進行調整後,或搭配適配器(Adapters),可以適用於任何其它品牌的折彎機。
工具長度
上模

分段式模具以整套 10 段的形式交付(左側 100 個Horn,右側 25、25、30、35、40、45、50、100 個Horn)

長度 圖片
長度 508mm
上模
長度 550 mm 分段
上模
下模

分段模具作為一套完整的 9 段 (25、25、30、35、40、45、50、100、200) 交付

長度 圖片
長度 508 mm
上模
長度 550 mm 分段
上模
聯繫我們,瞭解更多關於我們專為精確和高效而設計的折彎機模具的資訊。
立即聯繫我們
金屬加工機械
單缸全電折彎機
單缸全電折彎機
雙缸全電折彎機
雙缸全電折彎機
電液伺服折彎機
電液伺服折彎機
油電混合折彎機
油電混合折彎機
E21扭軸折彎機
E21扭軸折彎機
TP10S扭軸折彎機
TP10S扭軸折彎機
馬鞍山市方威精密刃模有限公司
金屬加工機械
  • 折彎機
  • 折彎中心
  • 鐳射切割機
  • 卷圓機
  • 擺式剪板機
折彎機模具
  • 折彎機模具
  • 精密的折彎機模具
  • 剪板機刀片
  • 定制模具
聯繫我們
馬鞍山市博望區博望鎮大和工業園A-8#
info@masfw.net
+86-18655538201
+86-18955525842
Supported by ETW International Inc. USA