馬鞍山市方威精密刃模有限公司 馬鞍山市方威精密刃模有限公司
  • 
  • 首頁
  • 金屬加工機械 +
  • 折彎機模具 +
  • 關於我們 +
    • 公司介紹
    • 新聞
  • 能力
  • 視頻
  • 聯繫我們
产品
  • 产品
  • 折彎機模具
  • 威爾遜精密款式

威爾遜精密款式

Trumpf折彎模具
  • 概述
  • 上模
  • 下模
  • 優勢
  • 工具長度
概述

該系列的的精密模具屬於WT風格的模具,可與任何機型的Trumpf折彎機相相容。

目前方威有大量庫存的Trumpf 折彎機模具可供客戶選擇,以下是常見的型號的模具,如果沒有找到您符合您要求的模具,歡迎您隨時與我們聯繫。

上模
通快折彎機模具上模

自1999年以來,方威致力於提供通用型的定制設計的折彎機彎曲工具,以滿足客戶提高折彎機生產效率的需求。我們可為客戶提供市場上常見的工具樣式(包括美國標準,歐洲標準和Wila標準)。

86度上模
84度上模
80度上模
60度上模
28度上模
24度上模
上模轉換頭
半徑7-50mm圓弧模具柄和模具頭
阅读更多
上模/Top tools
下模
下模

方威可為客戶提供一整套的折彎工具,目前方威有大量庫存的Amada折彎機上模具(下模)可供客戶選擇,以上是常見的型號的下模具,如果沒有找到您符合您要求的下模具,我們也可以根據客戶的需求單獨定制上模。

86度下模, 高度150mm
86度下模, 高度120mm
84度下模, 高度150mm
84度下模, 高度100mm
80度下模, 高度150mm
80度下模, 高度120mm
80度下模, 高度100mm
60度下模, 高度120mm
30度下模, 高度150mm
30度下模, 高度100mm
阅读更多
下模
優勢
威爾遜精密款式
威爾遜精密款式
威爾遜精密款式
威爾遜精密款式
  • 根據我們豐富的生產經驗,我們為客戶推薦三種材料可以滿足您高的品質需求。當然如果您有其他想要選擇的材料,我們也可滿足您的定制需求。
    1. 42 CrMo4材料,回火至1100-1200 N / mm²
    2. 1.2312材料,回火至950-1100 N / mm²
    3. C45材料,回火至800-850 N / mm²
  • 彎曲半徑/硬度可達到45-50RC
  • Amada彎曲工具有很強的通用性,在對其長度,彎曲角度進行調整後,或搭配適配器(Adapters),可以適用於任何其它品牌的折彎機。
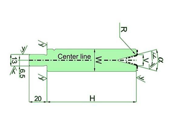
工具長度
上模

我們可以根據客戶的要求將沖頭進行分段,比如長度為550mm的P上模可以分為10段(100mm,25mm,25mm,30mm,35mm,40mm, 45mm,50mm,100mm,100mm),也可以作為一整套提供

長度 圖片
長度 500mm
上模
長度 300mm
上模
長度 200 mm, 100 mm
上模
上模
下模

我們可以根據客戶的要求將模具進行分段,比如長度為550mm的P上模可以分為9段(25mm,25mm,30mm,35mm,40mm, 45mm,50mm,100mm,200mm),也可以作為一整套提供。

長度 圖片
長度 500mm
上模
長度 300mm
上模
長度 200 mm, 100 mm
上模
上模
聯繫我們,瞭解更多關於我們專為精准高效而設計的鈑金加工設備的資訊。
立即聯繫我們
金屬加工機械
單缸全電折彎機
單缸全電折彎機
雙缸全電折彎機
雙缸全電折彎機
電液伺服折彎機
電液伺服折彎機
油電混合折彎機
油電混合折彎機
E21扭軸折彎機
E21扭軸折彎機
TP10S扭軸折彎機
TP10S扭軸折彎機
馬鞍山市方威精密刃模有限公司
金屬加工機械
  • 折彎機
  • 折彎中心
  • 鐳射切割機
  • 卷圓機
  • 擺式剪板機
折彎機模具
  • 折彎機模具
  • 精密的折彎機模具
  • 剪板機刀片
  • 定制模具
聯繫我們
馬鞍山市博望區博望鎮大和工業園A-8#
info@masfw.net
+86-18655538201
+86-18955525842
Supported by ETW International Inc. USA